Global settings English (US) | mm

Languages
Unit
Cancel
Apply
E-Catalog
Milling
Main Application
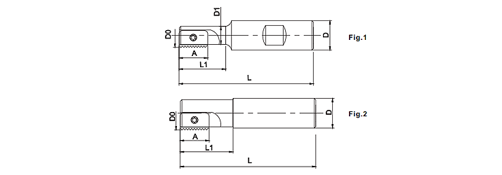
Right hand (R) shown.
Product No.
Designation
D0
L1
D
D1
L
A
Insert Screw
Torx Key
M2235006
SR0021H21
21.0
44.0
20.0
15.5
94.0
21.0
L60M3.5X10
T-15